企業情報

  • このリンクをシェア
  • ポスト

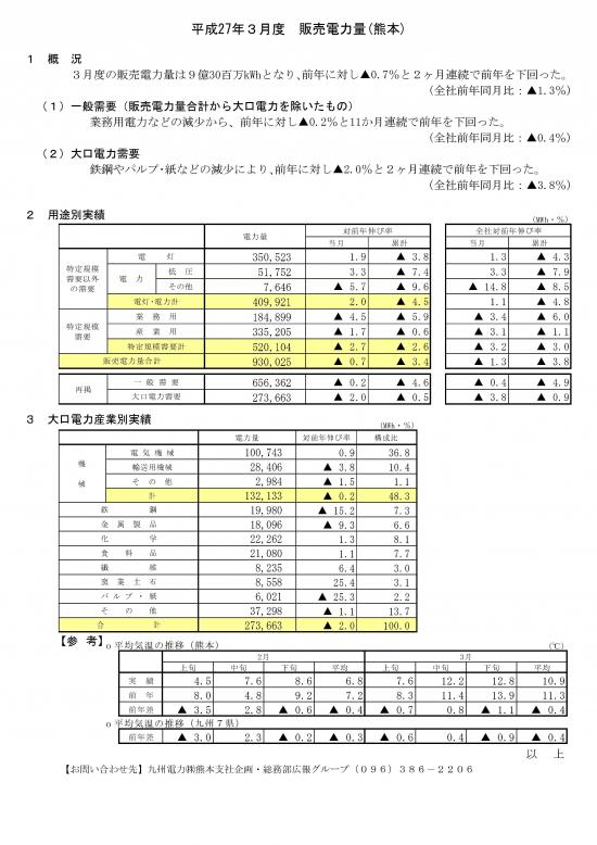
平成27年3月度 販売電力量(熊本)

平成27年4月27日
九州電力株式会社
熊本支社